Loading...

企業経営の未来が見える
生産管理システム

流れ受注生産管理方式とは!

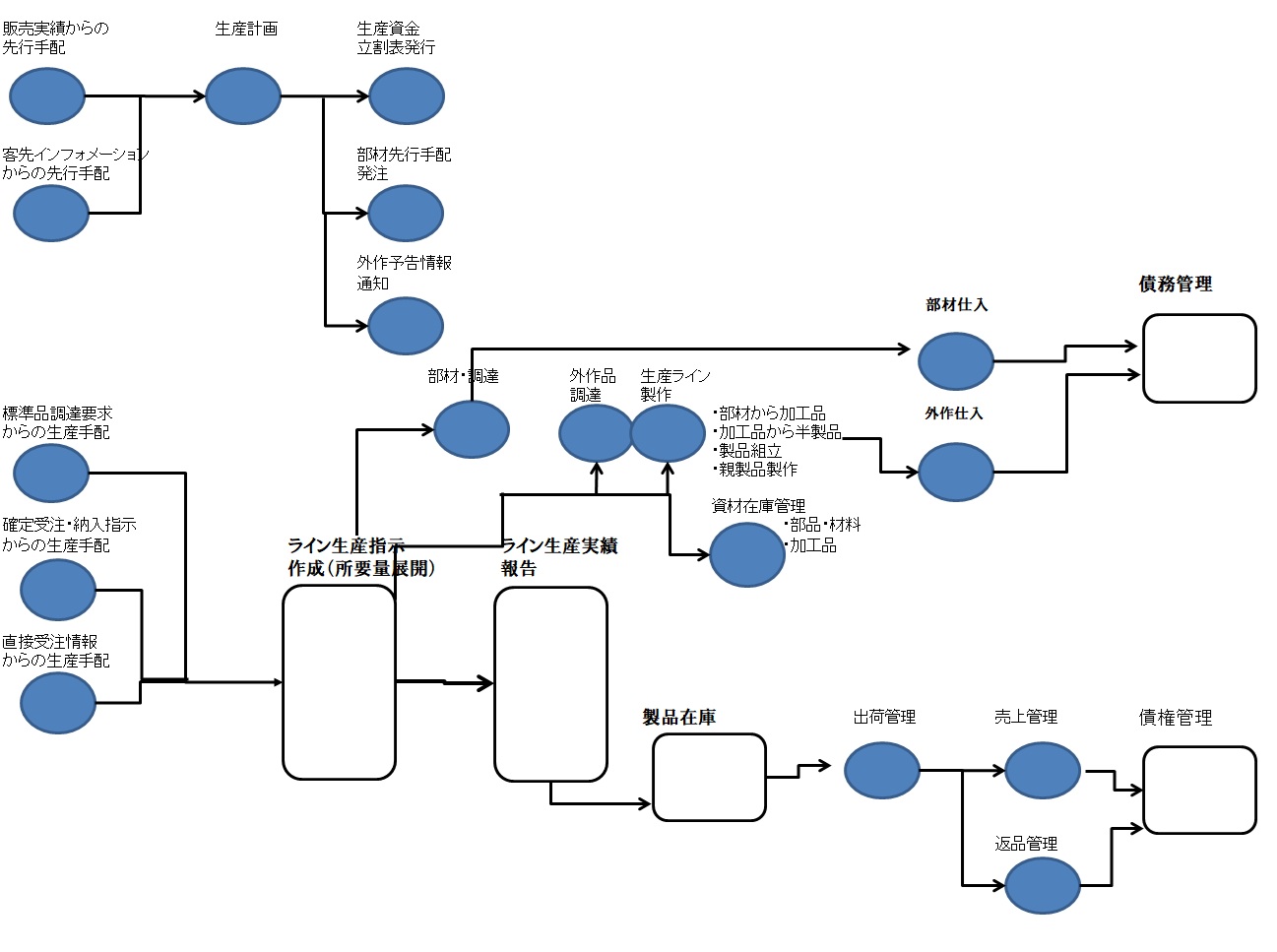
メーカーから生産計画情報をインフォメーション(予告情報)として受領し、確定受注・納入指示を経て出荷に至るまでの一連の業務プロセスをサイクルとして運用します。

このサイクルに基づき、生産計画の立案や生産予定の策定を随時行い、生産ライン負荷シミュレーションや資材、外部協力業者への先行手配を実施しながら、生産活動を継続的に繰り返す生産方式です。

 

導入効果

工場・生産活動が数値化され見える・わかる!

生産スケジュール(ライン使用スケジュール)から稼働率を算出、製品の在庫回転率から売れ行きや滞留を把握できます。このように、工場をリアルタイムに分析することができます。

  ◆生産ラインごとの稼働率
  ◆製品回転率
  ◆材料・部品在庫の滞留率

先行手配と資金計画を、データで確かな判断へ

過去の販売実績情報を集約し、今回の販売予測を策定します。 策定した販売予測情報を基に先行手配シミュレーションを実施し、 必要となる部品・材料、生産ラインの稼働量、外作ラインの必要量を算出します。 これらの結果を基に、先行手配必要量を決定します。

  ◆部品、材料の先行手配が行えます。
  ◆予測生産資金の立割表を発行し、資金繰り案の策定を行えます。

計画と実績の差を見抜き、受注を正確に予測

客先から提供される生産計画情報を基に、過去の出荷実績情報との比較分析を行い、 当該計画に対する受注予測を算出します。 算出された受注予測および現在庫情報を踏まえ、最適な生産計画を立案します。

  ◆生産計画に対して生産資金の立割表を発行し、生産資金調達案の策定します。
  ◆生産計画情報に対して生産所要量を算出します(シミュレーション展開)
  ◆部品、材料の先行手配
  ◆外作生産への手配予告
  ◆社内生産ラインの手配予告

受注情報を起点に、生産から出荷までを最適化

客先からの受注情報を基に、現在庫量を勘案して生産量を決定し、生産依頼を行います。 その後、客先からの納入指示情報を受領し、当該指示に従って出荷を行います。

標準製品の生産を、在庫基準で自動判断

当社で定めた標準製品について生産要求を発令します。 設定された安全在庫量と現在庫量を比較し、生産要求数量を決定します。

予測データを参考に人手による細かな生産予定を策定

生産要求に対する製造指示を策定します。

  ◆製造番号、LOT_NO.の付番
  ◆生産所要量計算
   ⇒使用部材の生産使用量の算出
   ⇒生産ラインごとのライン必要量の算出、外作(外注)発注
  ◆生産製造番号、製造製品ごとの生産スケジュールの策定
   ⇒外作ラインへの発注量、発注日、納期の設定が行えます。
   ⇒部材使用料から購入単位へ自動で買付まとめ計算をして発注量を算出、発注日、納期を設定して発注が行えます。
   ⇒内作ライン別の生産スケジュールを参考に、今回の生産要求を手動設定します。
    ・生産ラインごとのスケジュールを可視化できます
    ・製造番号ごとのスケジュールを可視化できます。

生産実績、製造原価が見える

ライン別(内作・外作)の生産実績報告で生産スケジュールの進行を進めます。

  ◆製造番号単位の製造スケジュールに製造数を設定し、生産スケジュールの進行を進めます。
  ◆製品製造ラインの実績報告により、製品製造原価集計が行えます。
  ◆生産ラインごとの生産量の集計が可能です、外作(業者)の場合は納入金額を集計します。
  ◆製造ラインの実績報告により日別・月別生産実績数を集計できます。

正確な在庫コントロールを実現

  ◆部材在庫
   ⇒部品在庫は、買付単位(ダース、箱、缶)等の単位で入荷され、使用要求はバラで要求されるため使用要求量を単位
    変換します。
   ⇒材料在庫は、買付単位(平米、立方、ロール、1枚(鉄板))などの入荷単位となります。
   ⇒要求に対する出庫は人手により数量を設定し、残材の管理は当システムでは行ないものとします。
   ⇒材料の在庫調整は人手により行い、受払の受入数は入荷単位、払出は人手による入力値とします。
   ⇒部材受払は、当社の月別起算日から月末までの受払実績を集計します。月末時点の在庫量に対し、入荷金額の移動
    平均法により部材在庫金額を算出し、当該金額を決算に計上することで、確定資産とします。
   ⇒部材の期末在庫は、実棚卸成績表を基に当社期末部材在庫金額として算出し、決算情報へ計上します。また、棚卸
    結果に基づく在庫数量および金額を、次期の期首在庫とします。

  ◆加工品在庫
   ⇒製品製作の仕掛品を加工品在庫として管理します。加工品の生産実績により、使用した部品・材料を在庫から減算
    更新して加工品在庫の加算更新を行います。

  ◆製品在庫
   ⇒製品組立ラインからの生産報告により製品在庫を加算更新、製品出荷指示により在庫の減算とします。
   ⇒製品在庫数 = 実在庫数 + 生産予定数 - 受注
   ⇒製品原価集計により、算出された金額を製品原価とします。
   ⇒製品受払管理により、月末在庫、期末在庫を決算情報として計上します。

製品生産推移表

生産予定数量と金額、生産実績数量と金額の推移が分かります。

  ◆製品売価と製造原価比較が常時監視可能となります。
  ◆製品動向の監視が常時監視可能となります。
  ◆製品製造予定、製造実績、受注実績が常時監視可能となります。
  ◆製品別出荷動向の監視ができます。

売上・債権管理

製品出荷、売上仮締め、売上締め更新、請求業務、回収、受取手形管理と当社製品の売上を管理するための一連の業務プロセスを管理することができます。

  ◆売上仮締め更新は、出荷伝票または客先受取伝票を集計後、客先からの要請等により未請求対象となった物件につい
   て、当該出荷情報を今回の請求対象から除外するための処理です。なお、未請求物件の出荷情報は、請求対象となる
   まで画面上に表示され、帳票出力が可能です。
  ◆売上締め更新時に、客先ごとのファクター限度額チェックを行います。これにより、限度額超過客先を指定方法で通
   知します。
  ◆請求・回収(入金)業務情報により、客先ごと、当社全体の売掛残高を管理することができます。

仕入入荷・買掛・債務管理

部品・材料の購入と外作(業者発注)の検収を買掛仮締め、買掛締め更新、支払予定検証、支払い、支払手形を管理するための一連の業務プロセスを管理することができます。

  ◆部品・材料の入荷情報および外作検収情報について、買掛仮締め更新を行います。部材購入において、発注量に対し
   て入荷量が完納に満たない案件、また外作仕入について、発注量に対する納品が完了していない案件は、今回の買掛
   対象外として除外します。なお、外作品については、検収担当者の判断により、買掛対象外とする場合があります。
  ◆買掛仮締め情報を確定した後、買掛締め更新を行い、買掛金として計上します。さらに、仕入先ごとの支払条件に基
   づき支払予定情報を作成し、これにより、指定年月における支払額を確定しす。
  ◆支払予定情報により指定年月での支払いを行います。
  ◆買掛残高を仕入先、当社全体で管理することができます。

統計分析により会社の”今(現在)”が手に取るように分かる

  ◆営業系統計
  ◆仕入系統計
  ◆粗利表
  ◆収支表

システム概要図

 

システム概要

システム稼働想定図

<客 先>

商社・代理店

<施 設>

本社機能、生産事務所、生産工場、材料倉庫、部品倉庫、加工品倉庫、製品倉庫

※クリックすると拡大できます

営業から会計まで全業務がシステム連携

Image 需要予測と受注業務

過去の販売実績、客先からの生産計画インフォメーションを基に生産計画を立案。受注から売上回収までの概要をご紹介します。

詳しく見る
Image
Image 製品構成の設計

製品構成は(製品、加工部品、部品、材料)によって構成されます。各情報をシステム内に設定することで製品所要量計算をはじめ、生産管理をおこなうことができます。

詳しく見る
Image
Image MRPと手動設定の
ハイブリッド

生産計画を起点に生産予定と生産スケジュールが策定できます。生産管理では日々の指示と実績報告により生産進捗を把握することができます。生産指示には生産所要量計算で算出した予測値を用いる場合と、人手による手動生産指示が行えるため、細かな生産指示及びスケジュールを作成できます。

詳しく見る
Image
Image 正確な在庫コントロール

製品在庫、加工品在庫、部品在庫、材料在庫は生産活動での増減、出荷による減算、仕入による加算と適切なタイミングで更新され、いつでも正確な在庫数を把握することができます。また、受払い、棚卸により在庫資産を正確に計上することができます。

詳しく見る
Image
Image
Image 支出タイミングを常時監視

部材調達、外注仕入などの入荷検収情報から仮締め更新を経て、本締め更新を行い支払をします。仕入先、当社全体の買掛残高管理で先々の支払予定を把握することができます。

詳しく見る

関連システム

Image
人事管理

給与システムの社員データとして連携します

詳細はこちら
Image
勤怠管理

社員データが勤怠システムと連携します

詳細はこちら
Image
給与計算

社員データが給与システムと連携します

詳細はこちら

動作環境

Image

サーバーを社内に設置

オンプレミス

IBMiユーザー様向け

詳細はこちら
Image

サーバーを持たずに

クラウド

月々の使用料金でご利用いただけます

詳細はこちら
 

導入の流れ

Image

問い合わせ

「問い合わせフォーム」よりお願いいたします。
※お客様のご質問やご要望をできるだけ詳しくご記入してください。
※精査の上、ご質問、ご要望に対し回答差し上げます。

※資料のみのご請求、同業他社様からのお問い合わせはお断りさせていただいております

Image
Image

システム説明

システムを紹介させていただきます。改良点や要望がある場合は「カスタマイズ」にて対応いたします。

Image
Image

ご契約

システム稼働へ向け、カスタマイズの有無、スケジュールの作成、データ移行、運用方法、操作説明などを決定していきます。

Image
Image

カスタマイズ

改良、要望の取込は有償カスタマイズにて承ります。
要件定義から設計、開発、テストの工程を経て作業を進めてまいります。

Image
Image

データ移行

当システムに移行可能なデータに限ります。
また、文字コードがEBCDICにコンバートできる場合に限ります。

Image
Image

操作説明

直観的に操作できるように設計したシステムで誰でも簡単にお使いいただけます。
お客様のご要望に応じて、対象組織、頻度など柔軟に対応いたします。

Image
Image

仮運用

実際に業務でお使いいただいて不具合や処理結果の有無を確認します。

Image
Image

本稼働

システムご利用開始となります。

お問い合わせ

WEBでのお問い合わせ

入力フォームはこちらから